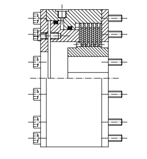
HYDRAULISCH / PNEUMATISCH BETÄTIGTE KUPPLUNGEN & BREMSEN HEID HLWHydraulik-Federdruck-Lamellenkupplung HEID HLOBHydraulik-Federdruck-Lamellenbremse Datenblatt HEID PLWPneumatik-Federdruck-Lamellenkupplung Datenblatt Rexnord BSD Grupp&Stahl bietet baugleichen Ersatz für die folgenden Rexnord BSD Typen: BSD 7000, 7300, 7500, 7600, 7700, 7110, 7120, 7130, 7210, 7220, 7230, 7900, 7910, 7920, 7930, 7900, 7900-…-100, 7920, 7920-…-100 Datenblatt